Яндекс.Метрика

Седельный тягач КАМАЗ 5490-001-Т5 с бортовым полуприцепом

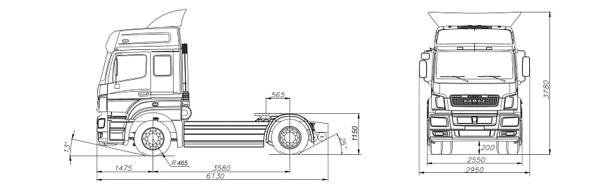
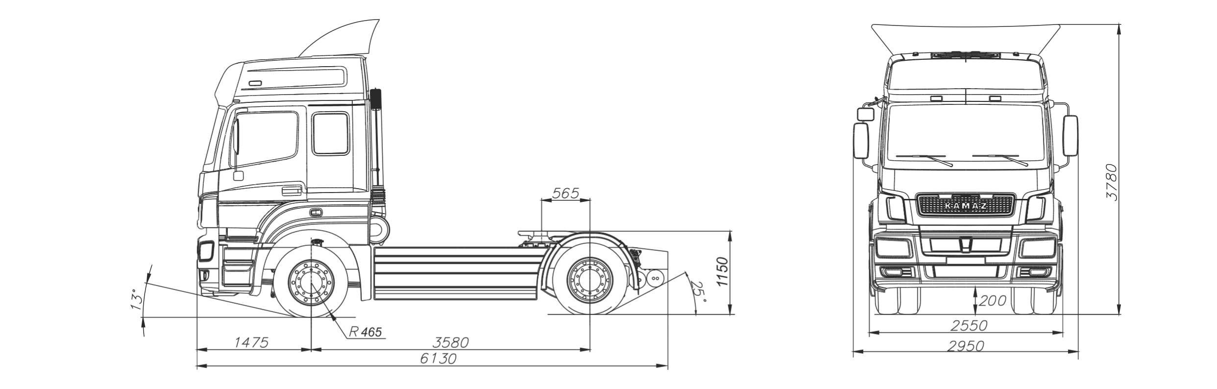
Шасси

Характеристики

Описание
Весовые параметры и нагрузки:
Снаряженная масса а/м, кг. 7805
нагрузка на переднюю ось, кг. 5305
нагрузка на задний мост, кг. 2500
нагрузка на седельно-сцепное устройство, кг. 10720
Полная масса а/м, кг. 18600
нагрузка на переднюю ось, кг. 7100
нагрузка на задний мост, кг. 11500
Полная масса буксируемого полуприцепа, кг. 36120
Полная масса автопоезда, кг. 44000
Двигатель:
Модель Daimler ОМ 457LA (Евро-5)
Тип дизельный с турбонаддувом, с промежуточным охлаждением наддувочного воздуха
Максимальная полезная мощность, кВт (л.с.) 295 (401)
при частоте вращения коленчатого вала, об/мин. 1900
Максимальный полезный крутящий момент, Нм (кгсм) 2000 (204)
при частоте вращения коленчатого вала, об/мин. 1100
Расположение и число цилиндров рядное, 6
Рабочий объем, л. 11,97
Система питания:
Вместимость топливного бака, л. 2x400
Фильтр грубой очистки топлива с поршневым насосом (с электроподогревом)
Электрооборудование:
Напряжение, В. 24
Аккумуляторы, В/Ачас. 2x12/190
Генератор, В/Вт. 28/3000
Сцепление:
Тип диафрагменное, однодисковое мод. MFZ 430
Привод гидравлический с пневмоусилителем
Задний мост:
Модель Daimler HL6
Подвеска пневматическая, с электронной системой управления ECAS
Главная передача:
Тип гипоидная
Передаточное отношение 3,076
Тормоза:
Привод электропневматический (EBS), с системой курсовой устойчивости (ESP) и противобуксовочной системой (ASR)
Тип дисковые (передние и задние)
Колеса и шины:
Тип колес дисковые
Тип шин радиальные, бескамерные
Размер обода 9,00-22,5
Размер шин 315/70 R22.5
Кабина:
Тип расположенная над двигателем
Исполнение с двумя спальными местами
Подвеска 4-х точечная пневматическая
Сиденья на пневмоподвеске с обогревом
Седельно-сцепное устройство:
Тип ССУ с 2-мя степенями свободы, литое
Производитель Jost/SAF-Holland/Orlandi
Диаметр сцепного шкворня, мм. 50,8 (2")
Высота ССУ, мм. 1150
Характеристика а/п полной массой 44000 кг.:
Максимальная скорость не менее, км/ч. 90
Угол преодолеваемого подъема, не менее, % 18 (10°)
Коробка передач:
Модель ZF 12AS2130
Тип механическая, несинхронизированная, 12-ти ступенчатая
Управление автоматическое; дистанционное
Передаточные числа на передачах:

1 2 3 4 5 6 ЗХ

15,86 9,57 5,87 3,47 2,10 1,29 14,68

12,33 7,44 4,57 2,70 1,63 1,00 11,41

Дополнительное оборудование:

-датчик критического износа накладок;
-верхний спойлер;
-предпусковой подогреватель “Адверс” 14ТС;
-электронный тахограф;
-радиоприемник;
-автономный отопитель кабины;
-кондиционер;
-подогрев зеркал;
-электропривод люка;
-боковое ограждение.


Развернуть описание

Характеристики
Шасси
Купить в лизинг

Компания ТракХолдинг поможет Вам

При выборе лизинговой компании
в том числе Лизинг от производителя
При выборе банка кредитора
подберем для вас оптимальную программу кредитования

Как взять технику в лизинг?

1

Лизинговая компания приобретает технику и предоставляет ее вам

2

За короткий срок лизинговая компания принимает решение о предоставлении вам лизинга

3

Вы заполняете анкету лизингополучателя и предоставляете минимальный пакет документов

4

Менеджер «ТракХолдинг» подбирает оптимальную лизинговую программу

5

Вы заполняете анкету лизингополучателя и предоставляете минимальный пакет документов

6

Менеджер «ТракХолдинг» подбирает оптимальную лизинговую программу

Как получить новый автомобиль KAMAZ?

Лизинговые предложения «КАМАЗ-ЛИЗИНГ» являются универсальными на всей территории России!

Выбрать автомобиль
Заполнить заявку КАМАЗ-ЛИЗИНГ
Предоставить пакет документов
Подписать договор
Заплатить аванс
Получить Ваш автомобиль

Почему лизинг?

Экономия за счет налоговых выплат

  • Аванс от 10%
  • Срок лизинга - до 60 месяцев
  • Субсидирование от производителя
  • Полное КАСКО 1,07%

Ваши несколько шагов к новому автомобилю KAMAZ

  • Аванс от 10%
  • Выбрать автомобиль
  • Заполнить заявку через дилера в своем регионе или напрямую в ОАО «Лизинговая компания «КАМАЗ»
  • Предоставить в АО «Лизинговая компания «КАМАЗ» пакет документов через дилера или напрямую
  • Подписать договор
  • Заплатить аванс
  • Получить Ваш автомобиль
1

Лизинговая компания приобретает технику и предоставляет ее Вам

2

За короткий срок лизинговая компания принимает решение о предоставлении Вам лизинга

3

Вам необходимо заполнить анкету лизингополучателя и предоставить минимальный пакет документов

4

Менеджер «ТракХолдинг» поможет выбрать оптимальную лизинговую программу

5

Наш специалист подбирает необходимую технику для Вашего бизнеса

Цена: По запросу

Нет в наличии

Цена может отличаться при покупке напрямую или в лизинг, а также в зависимости от выбранной лизинговой компании.

Цена может отличаться при покупке напрямую или в лизинг, а также в зависимости от выбранной лизинговой компании.

Получите консультацию менеджера

Коммерческое предложение вышлем сразу после консультации!